| Thương hiệu |
Máy bơm bùn và bùn thải hạng trung dòng ZM(R)
Máy bơm bùn và bùn thải hạng trung dòng ZM(R) là máy bơm bùn thải ly tâm nằm ngang, một tầng, một ống hút, dạng tay đòn, vỏ đôi, ứng dụng cho lưu lượng lớn, nồng độ thấp và điều kiện vận hành cột áp thấp. Ở tốc độ thấp, máy bơm bùn thải loại ZM có thể truyền tải bùn thải mài mòn mạnh và bùn thải có mật độ cao. Khi so sánh với máy bơm bùn loại WX có đường kính tương đương, loại ZM nhỏ hơn, nhẹ hơn và hiệu suất chi phí cao hơn, được sử dụng rộng rãi trong luyện kim, điện, công nghiệp hóa chất, khai thác mỏ, sản xuất giấy, vật liệu xây dựng và các ngành công nghiệp khác.
Ứng dụng
Tham số
| Calibre (inch) | 8"-10" |
| Lưu lượng tối đa | 1386m³/giờ |
| Đầu tối đa | 63 phút |
| Sự xoay vòng | 500-1000 vòng/phút |
| Quyền lực | 120-260kw |
Để biết thêm chi tiết, hãy xem bảng hiệu suất nước trong ở phía dưới.
Bảng hiệu suất nước sạch ZM(R)

Đặc điểm cấu trúc
1. Với đường kính lớn và thanh nhô ngắn, độ cứng của trục được đảm bảo giúp bơm có thể sử dụng trong điều kiện vận hành khắc nghiệt và công suất cao.
2. Ống lót trục bằng thép không gỉ cứng và trục được kết hợp với nhau bằng khe hở và cả hai đầu đều được trang bị vòng chữ O để ngăn trục khỏi bị mài mòn và ăn mòn.
3. Cả tấm che trước và sau của cánh quạt đều được trang bị lưỡi phụ để giảm dòng chảy ngược và áp suất bịt kín. Cánh quạt cũng sử dụng rãnh rộng, lưỡi lõm và các phương pháp khác để cải thiện khả năng vận chuyển và chống mài mòn để kéo dài tuổi thọ sử dụng của nó.
4. Vỏ và nắp bơm làm bằng gang dẻo, kết hợp với gân gia cường, đảm bảo khả năng chịu áp suất cao.
5. Các bộ phận quá dòng được chế tạo bằng nhiều loại hợp kim chống mài mòn Cr cao hoặc cao su có hiệu suất khác nhau, có các tính năng chống mài mòn, chống ăn mòn, chống va đập, chống cọ rửa, v.v. Bộ phận quá dòng kim loại và bộ phận cao su có thể được sử dụng thay thế cho nhau hoặc kết hợp để đáp ứng nhu cầu của các điều kiện vận hành khác nhau.
6. Chúng tôi cung cấp phớt đóng gói, phớt cánh quạt phụ, phớt cơ khí và các loại phớt khác cho phớt trục để đáp ứng nhu cầu trong các điều kiện vận hành khác nhau.
7. Vị trí đầu ra của bơm có thể được lắp đặt bằng cách xoay 8 góc khác nhau (cách nhau 45 độ) tùy theo nhu cầu.
8. Bôi trơn bằng dầu và bôi trơn bằng mỡ được cung cấp cho cụm ổ trục. Các thành phần bôi trơn bằng dầu có thể hạ thấp nhiệt độ hoạt động một cách hiệu quả để giảm sự cố do nhiệt độ ổ trục quá cao gây ra. Các thành phần bôi trơn bằng mỡ có cấu trúc đơn giản, hoạt động đáng tin cậy và dễ lắp đặt, đưa vào vận hành và bảo trì.
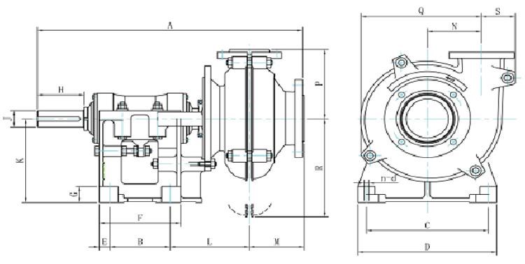
Bản vẽ phác thảo

Kích thước phác thảo
